Bellow Couplings
> ONX 1 | Set Screw
> ONX 2 | Clamping Hubs
> ONX 2P | Press fit Clamping Hubs
> ONX 3 | Expandable Collet
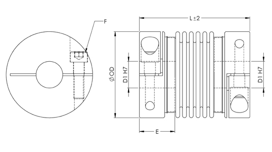
> ONX 4 | Clamping Hubs
> ONX 4C | Compact, Clamping Hub
> ONX 4D | Double Bellow, Clamping Hubs
> ONX 4H | Split Hubs...
> ONX 4T | Taper bore
> ONX 4P | Press fit, Clamping Hubs
> ONX 4W | Clamping Hub, Welded version
> ONX 5 | Taper Connical Clamping
> ONX 5W | Taper Connical Clamp - Welded
> ONX 5T | Expandable Collet
> ONX 6 | Taper External Clamping Ring
> ONX 7 | Flange Mounting
> ONX 8 | Expandable Collet
> LSA 4 | Line Shaft Coupling
   
     
   
     
   
 
   
         
  • Torque Range
  •  
  • Hubs : Aluminium Alloy
  •  
  • Misalignment compensation
  • Bore Range
  •  
  • Bellows: Stainless Steel
  •  
  • Backlashfree Transmission
  •        
  • Zero Maintenance
  •        
  • Low Inertia
  •      
  • Temp. Range:- 30ºC to +100ºC
  •   Technical Data