Bellow Couplings
>
ONX 1 | Set Screw
>
ONX 2 | Clamping Hubs
>
ONX 2P | Press fit Clamping Hubs
>
ONX 3 | Expandable Collet
>
ONX 4 | Clamping Hubs
>
ONX 4C | Compact, Clamping Hub
>
ONX 4D | Double Bellow, Clamping Hubs
>
ONX 4H | Split Hubs...
>
ONX 4T | Taper bore
>
ONX 4P | Press fit, Clamping Hubs
>
ONX 4W | Clamping Hub, Welded version
>
ONX 5
| Taper Connical Clamping
>
ONX 5W | Taper Connical Clamp - Welded
>
ONX 5T
| Expandable Collet
>
ONX 6
| Taper External Clamping Ring
>
ONX 7
| Flange Mounting
>
ONX 8
| Expandable Collet
>
LSA 4
| Line Shaft Coupling
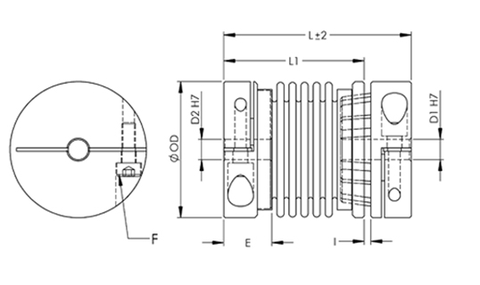
Torque Range : 0.5 ~ 10 Nm
Hubs : Aluminium Alloy
Backlash free transmission
Bore Range : 3 ~ 22 Nm
Bellows : Stainless Steel
Misalignment compensation
Torsional Rigid
Low Inertia
Press fit design
Temp. Range:- 30ºC to +100ºC
Technical Data